S10 H Doppelhakensystem

Metalldecke mit längsseitig einzuhängenden Einzelplatten

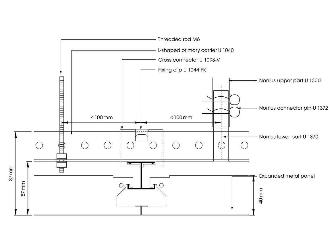
Das moderne Doppelhakensystem S10 H eignet sich für die unterschiedlichsten Anwendungen. Die Metalldecke verfügt standardmäßig über eine nicht sichtbare Unterkonstruktion. Die einzelnen Platten werden längsseitig formschlüssig und spannungsfrei in das System eingehängt.

  • Flexible Gestaltungsmöglichkeiten
  • Optional mit Fuge an der Stirnseite verfügbar. So ist Unterkonstruktion sichtbar

Technische Information

Abmessungen:

Länge: ≤3000mm
Breite: ≤1200mm
Empfohlene Fläche: ≤1,5m²

Material und Oberfläche:

Verzinktes Stahlblech, Aluminium: Standardpulverbeschichtung weiß (RAL 9016 matt DUROPLAN Typ 1). Schichtdicke: 60µm. Andere Pulverbeschichtungen auf Wunsch.

Aluminium: bandeloxiert oder spiegelglänzend

Edelstahl: gebürstet oder spiegelglänzend

Akustik und Perforation:

Standardperforation: RG-L15. Weitere Perforationen möglich
Schallabsorption: standardmäßig über schwarzes Akustikvlies (αw=0,70; NRC=0,70)

Bedruckung:

Pulverbeschichtete Zuschnitte zusätzlich mit Motiven und Texturen bedruckbar

Brandverhalten:

Standard, glatt oder perforiert: A2-s1.dO nach EN13501-01 (nicht brennbar)