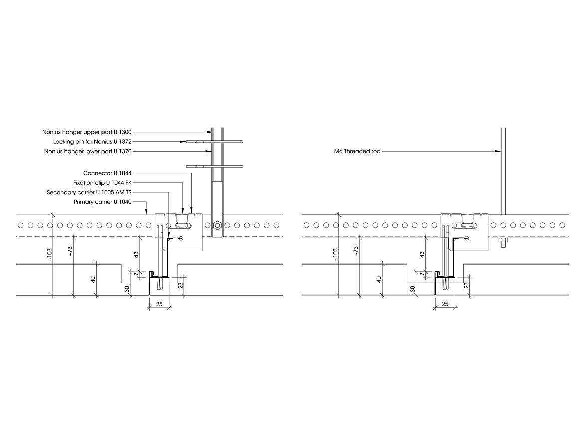
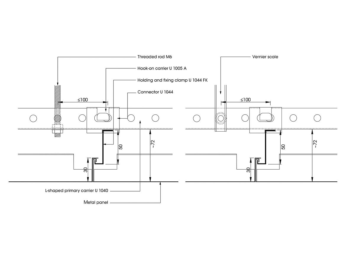
S4 Hakensystem

Metalldecke mit einhakbaren Einzelplatten

Das moderne Metalldeckensystem S4 hat eine verdeckte Unterkonstruktion. Die einzelnen Platten werden in das System eingehakt und sind einfach abnehmbar. Auf Wunsch ist die Metalldecke anhebe- wind-, oder ballwurfsicher sowie abklappbar mit Schenkelfedern (S4.7 K-TS) ausführbar, wobei auch nach Revisionierungen noch ein gleichmäßiges Fugenbild gewährleistet ist. 

  • Optional mit Kühlmäandern als Kühldecke ausführbar
  • Flexible Gestaltungsmöglichkeiten

Technische Information

Abmessungen:

Länge:
S4: ≤3500mm
S4.7 K-TS: ≤2000mm
Ballwurfsichere TAIFUN Variante: ≤1600mm

Breite:
S4, S4.7 K-TS: ≤1300mm
Ballwurfsichere TAIFUN Variante: ≤400mm

Empfohlene Fläche:
S4: ≤3m²
S4.7 K-TS: ≤1,7m²

Mindestbreite der Längsfuge: 6 mm
Ballwurfsichere TAIFUN Variante: 6 mm

Material und Oberfläche:

Verzinktes Stahlblech, Aluminium: Standardpulverbeschichtung weiß (RAL 9016 matt DUROPLAN Typ 1). Schichtdicke: 60µm. Andere Pulverbeschichtungen auf Wunsch.
Aluminium: bandeloxiert oder spiegelglänzend
Edelstahl: gebürstet oder spiegelglänzend

Akustik und Perforation:

Standardperforation: RG-L15. Weitere Perforationen auf Wunsch.
Schallabsorption: standardmäßig über schwarzes Akustikvlies (αw =  0,70; NRC =  0,70)

Bedruckung:

Pulverbeschichtete Zuschnitte zusätzlich mit Motiven und Texturen bedruckbar

Brandverhalten:

Standard, glatt oder perforiert: A2-s1.dO nach EN13501-01 (nicht brennbar)