S10H RHOMBOS expanded metal ceiling system

Double-hook system

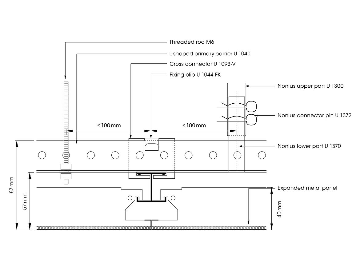
S10 H RHOMBOS is a double-hook system with concealed sub-structure. The system also lends itself to a vast array of applications. The panels can be suspended with positive connection and without torsional stress into the system and are easy to install without the need for tools. 

  • Flexible design options

Technical Information

Dimensions

Length: ≤ 3000 mm
Width: ≤ 1100 mm
Recommended surface area: 1.5 m²
Surface-welded frame as standard, with other version variants available.
 

Material and surface

Galvanised steel, aluminium on request: silver metallic (similar to RAL 9006), white (RAL 9016 matt DUROPLAN Type 1), brilliant chrome with clear lacquer. Other powder coatings are possible.
 

Acoustics and meshes

As standard, sound absorption with black acoustic fleece (αw=0,45; NRC=  0,40)
Standard mesh sizes: M110, M260, M400. Other mesh sizes are possible.
 

Fire behaviour

Standard: A2-s1.dO to EN13501-01 (non-combustible)